MDA 8000HD電機驅動分析儀
◆ 帶寬:350 MHz-2 GHz
◆ 最大采樣率:10 GS/s
◆ 分辨率:12-bit
◆ 輸入通道:8
◆ 內存:50 Mpts - 5 分
◆ 最大內存:5 Gpts
產品描述
主要功能
靜態功率分析 - 類似于專用功率分析儀
動態功率分析——獲取更多信息
完整的測試范圍——控制系統、動力部分、電機
全面的機械接口
諧波計算選項
矢量顯示選項 (THREEPHAVECTOR)
波形變換選項 (THREEPHASEdq0)
帶 OscilloSYNC? 的 16 個通道
靜態功率分析
平均值數值表顯示恒定負載、速度和扭矩操作條件下短(或長)時間段的電壓、電流、功率、速度、扭矩等值 - 就像專用功率分析儀儀器提供的一樣。

動態功率分析
長時間捕獲數千次電源循環。 每周期波形視圖可幫助您了解動態行為。 使用 Zoom+Gate 隔離和關聯功率行為,以在動態負載、速度和扭矩運行條件下控制系統運行。
完整的測試范圍
采集和顯示來自電源和嵌入式控制系統的模擬、數字和串行數據信號。 在短至單個設備開關周期的時間段內,將電力系統行為與控制系統活動相關聯。
全面的機械接口
支持九個速度、四個角度和五個扭矩傳感器 - 大多數僅由電機驅動分析器支持。 在沒有連接外部傳感器的情況下計算工作臺的機械功率。
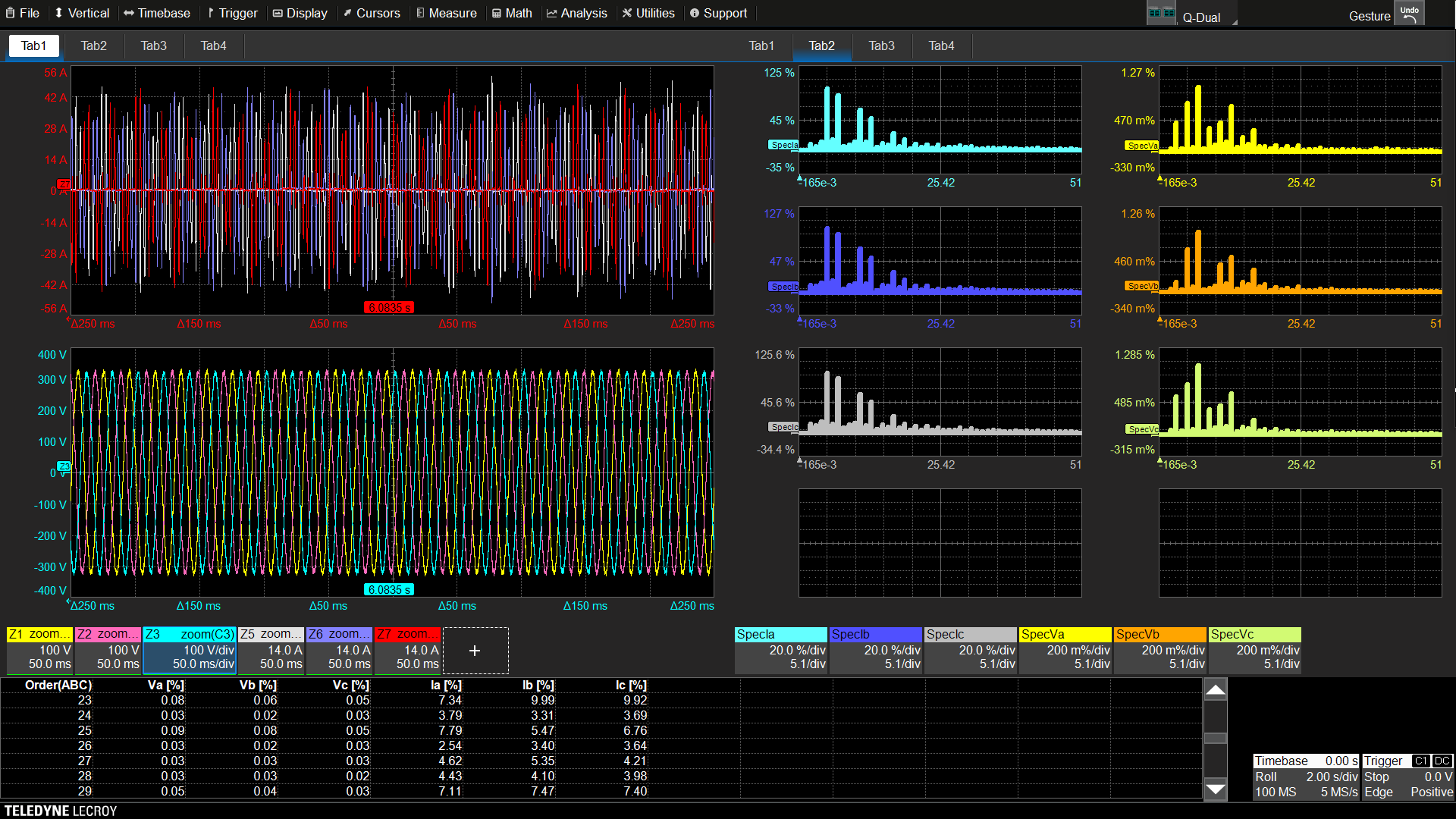
諧波計算選項
嚴謹的軟件 DFT 方法可精確分離所需的頻率內容。 提供 THD 數值計算和每周期波形、諧波次數表和頻譜顯示(最多同時顯示九個)。
三相矢量顯示選項
兩個同時矢量顯示允許三相系統電壓和電流的可視化。 矢量信息可以進行諧波過濾,并與 Zoom+Gate 兼容,以顯示動態或長時間采集期間的矢量變化。
波形變換選項 (THREEPHASEdq0)
支持兩個同時的 αβγ (Clarke) 和 dq0 (Park) 實時變換,具有 XY 繪圖功能,可用于 d vs. q 和 α vs. β 分量
帶 OscilloSYNC? 的 16 個通道
使用 OscilloSYNC 示波器同步功能在單個顯示器上查看和控制 16 個模擬通道。 設置非常簡單——這就像擁有一個 16 通道采集系統,并且能夠獨立使用每個示波器或 MDA。






